タッチパネルモニターでお客様のシステムをサポートします
タッチパネルモニターTSDシリーズ

15型オープンフレームタッチパネルモニター TSD-ST1522-FN超音波表面弾性波方式
下記製品は生産終了しました。
特長

TSD-ST1522-FN
15型オープンフレームタッチパネルモニター
培ってきたノウハウを凝縮しました。装置や機械への組込みに最適です。
●納期とご発注条件について
納期とご発注条件につきましては、下記「お問い合わせ」よりお問い合わせください。

- 超音波表面弾性波方式
- 生産終了
鮮明な画像と優れた耐久性
透過性が高く、耐久性・対傷性にも優れている超音波表面弾性波方式タッチパネルを採用した表示品質の高いタッチパネルモニターです。
長寿命で信頼性を確保
LCD 用バックライトの寿命が50,000 時間。
アルミ電解コンデンサの推定寿命時間も45,000 時間(使用環境温度35℃)で設計。
小型化を追求
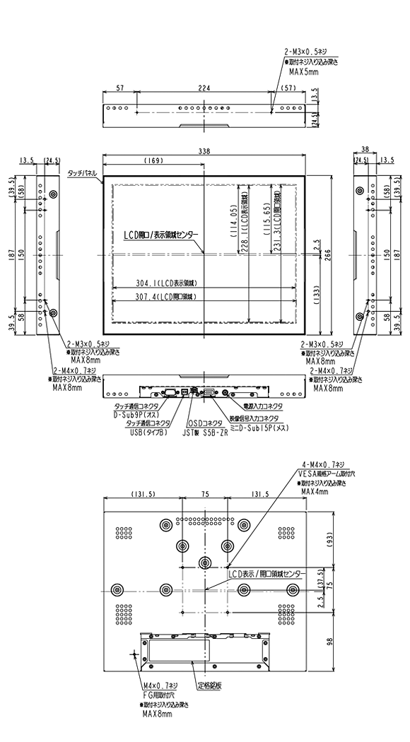
正面寸法は、ほぼ液晶モジュールサイズ(338×266mm)。奥行きも38mmとコンパクトな外形サイズとしました。お客様の筐体構造に自由度が広がります。
多彩な取り付け
背面のVESA 穴(75mm)に加え、側面にM3/M4、天面にもM3 取付穴を配置しました。
プライバシーフィルター組込品も準備
覗き込み防止用のプライバシーフィルターを装着したモデルを標準で準備しております。(TSD-ST1522-FP)
仕様
| 項目 | 仕様 | |
|---|---|---|
| TFTカラー液晶パネル | サイズ | 15型(38cm) TFTカラー液晶パネル |
| 表示画素数 | 1024 (H)×768 (V) | |
| 画素ピッチ | 0.297mm | |
| アスペクト比 | 4対3 | |
| 画素配列 | R,G,B縦ストライプ | |
| 視野角(標準) | ±85°(左右)、±85°(上下)、CR≧10 | |
| バックライト方式 | 白色LED(エッジライト方式) | |
| タッチパネル及びコントローラ | 方式 | 超音波表面弾性波方式 |
| 表面処理 | ノングレア処理 | |
| 分解能 | 0.65mm | |
| 出力 | RS232C/USB | |
| 応答速度 | 連続データの間隔:平均約11mS/データ、 タッチ開始~タッチ送信開始:約30mS以下 |
|
| 入力信号 | ビデオ信号 | アナログ0.7Vp-p(入力インピーダンス75Ω) |
| 同期信号 | セパレート同期信号、複合同期信号 TTL コンパチブル | |
| 走査周波数 | 水平 | 30.0kHz~61.0kHz |
| 垂直 | 55.0Hz~75.4Hz | |
| 表示色 | 約1,619万色 | |
| 輝度(標準) | 350cd/m2(輝度最大設定時 ※工場出荷設定時) | |
| コントラスト比(標準) | 1500:1 | |
| 表示サイズ | 304.1mm(H)×228.1mm(V) | |
| 入力信号コネクタ | 映像信号 | ミニD-Sub15ピン(メス) |
| タッチ通信信号 | D-Sub9ピン(オス)/USB type-B | |
| 使用環境条件 | 周囲温度 | 0℃~40℃ |
| 湿度 | 10%~80%RH(結露なきこと) | |
| 供給電源 | DC12V/1.2A | |
| 適合規格 | VCCI クラス B、CEマーキング注1) | |
| 質量 | 約3.5kg | |
| アルミ電解コンデンサ寿命 | 45,000時間 注2) | |
| ユーザーコントロール | 操作スイッチ | 無し。 OSD操作スイッチ用コネクタ搭載 (オプション:OSDスイッチ基板) |
| OSD操作 | 輝度、コントラスト、オートカラー、色温度調節(9300K、6500K、ユーザーカラー)、画面自動調節、画面調節(サイズ、水平/垂直位置、位相)、シャープネス、画面拡大切替、OSD 設定(表示時間、OSD 表示位置[水平/垂直])、OSD表示方向 | |
- 注1:取り扱いにつきましては、下記「お問い合わせ」よりお問い合わせください。
- 注2:標準使用環境状態(動作周囲温度35℃)での計算推定寿命。
- 注3:本機は日本国内専用に製造・販売されております。日本国外での使用はお客様の責任において実施ください。
- 注4:TFTカラー液晶パネルは非常に精密度の高い技術で作られていますが、画素欠けや常時点灯するものがある場合がありますのでご了承ください。
- 注5:本機はDC12V入力モニターです。ACアダプタは準備しておりません。詳しくは、取り扱いにつきましては、下記「お問い合わせ」よりお問い合わせください。
対応OS
| OS | タッチドライバー |
|---|---|
| Windows(R) 2000/XP | XP Universal Driver for Windows XP |
| Windows Vista(R) | Universal Driver for Windows XP and Vista |
| Windows(R) 7 | Elo Driver for Windows XP, Windows Vista and Windows 7 |
| Windows(R) 8.1 | Elo Touch Solutions Single-Touch Driver for Windows XP, Windows Vista, Windows 7 and Windows 8/8.1 |
| Windows(R) 10 | Elo Touch Solutions Single-Touch Driver for Windows XP, Windows Vista, Windows 7 and Windows 8/8.1/10 |
Windows、Windows Vistaは米国Microsoft Corporationの米国およびその他の国における登録商標です。
その他このホームページに記載された社名および商品名は各社の商標または登録商標です。
Windows(R)98/Me/NT4の対応につきましては営業所にご相談ください。
外形寸法図
